Utilizziamo cookies per fornire un esperienza personalizzata ai nostri utenti. Per maggiori informazioni può consultare la pagina di regolamentazione dei cookie. Se accetti, prosegui la navigazione
Cookie PolicyCatalogo laboratorio
- Colture cellulari
- Genomica
- Proteomica
- Elettroforesi
- Plastica monouso
- Dispensazione liquidi
- Filtrazione
- Capsule filtranti
- Carta da filtro
- Dischetti per cloni
- Ditali filtranti
- Filtri in fibra di vetro
- Filtri in quarzo
- Filtri per siringa
- Filtri per ventilazione
- Filtri per vuoto
- Membrane
- Piastre filtranti
- Portafiltri
- Sistemi di filtrazione in vetro
- Sistemi filtrazione sottovuoto
- Unità di filtrazione sotto pressione
- Ultrafiltrazione
- Plastica durevole
- Microbiologia
- Microscopia
- Reagenti
- Igiene e sicurezza
- Cromatografia
- Strumentazione
- Usi Generali
- Vetreria
Cerca per marca
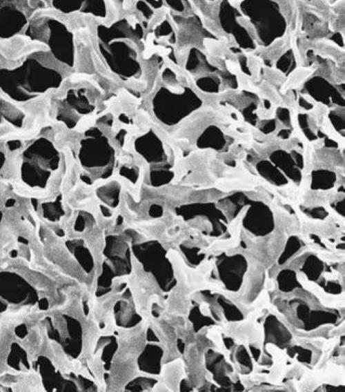
Membrane filtranti Millipore PVDF, diam. 47 mm, bianche, porosita 0.22 um (100pz)
| Cod. art.: | GVWP04700 |
|---|---|
| Catalogo: | Filtrazione da laboratorio |
| Categoria: | Membrane filtranti |
| Formato: | 0.22 µm |
| Materiale: | Difluoruro polivinilidene (PVDF) |
| Temperatura: | RT |
| Tipo conf.: | Sterile |
| Marca: | Millipore |
| MePA: | Richiedi integrazione mepa@biogenerica.it |
| Quantità: |




